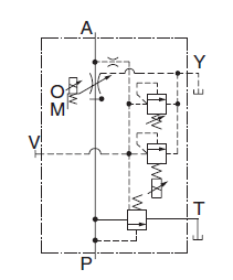
Пропорциональные дроссельно-перепускные клапаны EFBG предназначены для регулирования давление в системе в зависимости от нагрузки, что позволяет снизить энергопотребление насосом. Клапаны предназначены для систем, где требуется запускать/останавливать, изменять скорость привода без рывков. Клапаны данной серии используются совместно с усилителями серии AME.
| Типоразмер | 10 (32мм) |
| Применяемые усилители |
AME-D2-H1-*-12 |
| Максимальное рабочее давление, МПа | 24,5 |
| Диапазон регулировки расхода жидкости, л/мин | 5-500 |
| Номинальный ток соленоида дросселя, мА | 690 |
| Сопротивление соленоида дросселя, Ом | 45 |
| Наличие пропорционального перепускного клапана |
Есть |
| Диапазон регулировки давления, МПа | 1,6-20,6 |
| Номинальный ток соленоида перепускного клапана, мА | 690 |
| Сопротивление соленоида перепускного клапана, Ом | 10 |
| Масса, кг | 60 |
