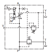
Клапаны серии EHFBG объединяют в себе функции дроссельного и предохранительного клапанов. Снижают энергоемкость работы гидравлических приводов.
| Типоразмер | 06 (20 мм) |
| Максимальное рабочее давление, МПа | 24,5 |
| Наличие встроенного предохраниетльного клапана | отсутствует |
| Диапазон регулировки давления, МПа | - |
| Максимальная пропускная способность, л/мин | 500 |
| Диапазон регулирования подачи, л/мин | 5-500 |
| Тип питания | Постоянный ток 24В |
| Расположение пилотного устройства | Внешнее |
| Контроль | Без обратной связи |
| Схема | |
| Масса, кг | 33,8 |
