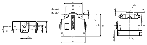
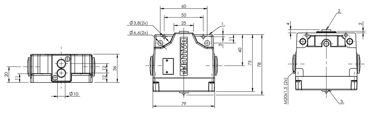
Индуктивный механизм активного типа с высокой степенью надёжности. Каждое положение переключателя снабжено светодиодным индикатором. Конфигурация имеет компактные размеры. Корпус выполнен механически, соответствует массе крепления и готов к применению. Обеспечивает большое расстояние переключения. Благодаря бесконтактной работе отсутствует износ. Плотное последовательное расположение элементов достигается согласованной передачей частот. Защита класса IP67 обеспечивает стойкость к агрессивным охлаждающим жидкостям.
