Промкип Промкип
Санкт-Петербург
Москва
Санкт-Петербург
Владикавказ
Волгоград
Воронеж
Грозный
Екатеринбург
Казань
Краснодар
Красноярск
Махачкала
Нальчик
Нижний Новгород
Новосибирск
Омск
Пермь
Ростов-на-Дону
Самара
Ставрополь
Уфа
Челябинск
Черкесск
Ваш город
Санкт-Петербург
Войти
Заказать звонок
Телефоны
+7 (812) 429-72-70
Санкт-Петербург

Индуктивный многопозиционный концевой выключатель Balluff BNS03J9

Индуктивный многопозиционный концевой выключатель Balluff BNS03J9
Индуктивный многопозиционный концевой выключатель Balluff BNS03J9
В наличии
Уточнить цену
Индуктивный многопозиционный концевой выключатель Balluff BNS03J9
Уточнить цену
В сравнение
В сравнении
Артикул:
В наличии
Уточнить цену
Индикация
Световод
Стандарт
Базовый: IEC 60947-5-2
Электрическое исполнение
3-/4-проводн.
Переключающий выход
PNP, Антивалентный
Все характеристики
Способы оплаты
Доставка
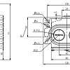
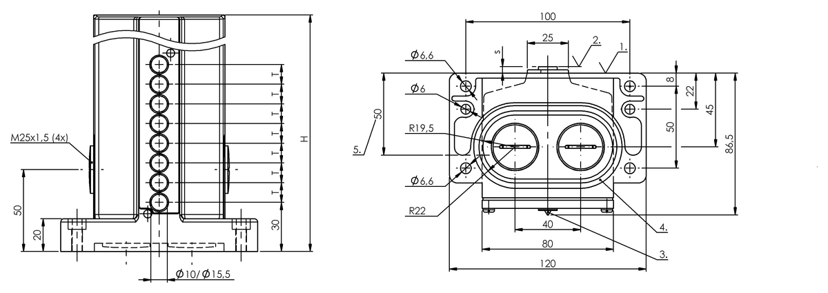
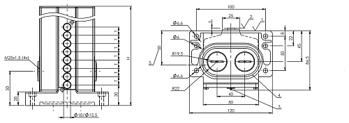
Индуктивный активный механизм, отличающийся высокой надёжностью. Для всех положений переключателя предусмотрены отдельные светодиодные индикаторы. Конфигурация имеет компактный формат. Корпус механического исполнения соответствует массе крепления и готов к эксплуатации. Обеспечивает расширенное расстояние переключения. Работа без физического контакта исключает износ. Плотное последовательное размещение достигается согласованной передачей частот. Защита класса IP67 гарантирует устойчивость к агрессивным охлаждающим жидкостям.
Индикация
Световод
Стандарт
Базовый: IEC 60947-5-2
Электрическое исполнение
3-/4-проводн.
Переключающий выход
PNP, Антивалентный
Тип разъема
Винтовые клеммы
Длительный ток
0.2 A
Производитель
Принцип действия
Индуктивный
Установка
параллельно
Индуктивный многопозиционный концевой выключатель Balluff BNS03J9