Особенности:
- Принцип действия — индуктивный и активный, с высокой надёжностью.
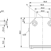
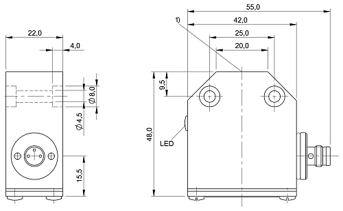
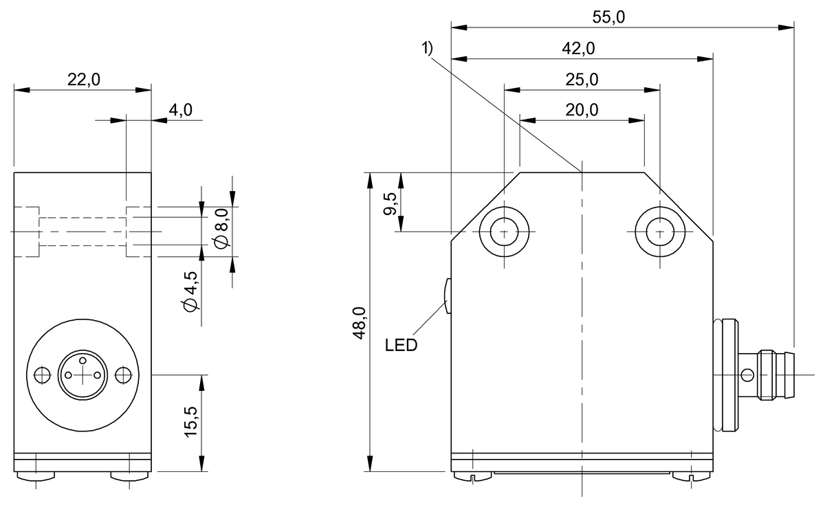
- Индикатор со светодиодами обеспечивает функциональность.
- Конструктивное исполнение — компактное.
- Подбор механического корпуса осуществляется с учётом массы крепления.
- Преимущество — большое расстояние переключения.
- Бесконтактный механизм исключает износ.
- Устойчивость к агрессивным охлаждающим жидкостям подтверждена классом защиты IP67.
