Особенности:
- Принцип работы основан на надёжной индуктивной активности.
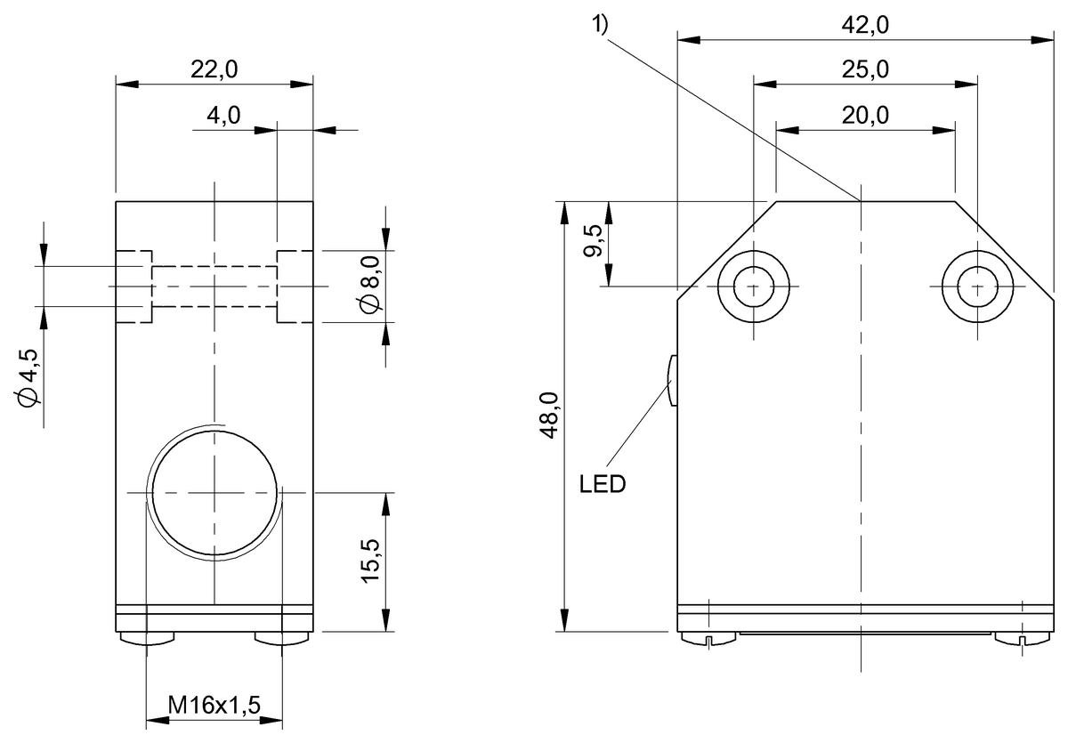
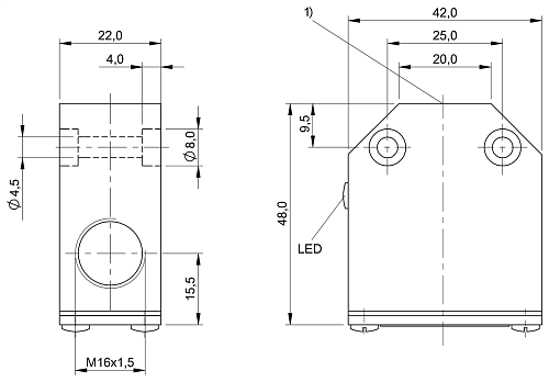
- Устройство оснащено функциональным светодиодным индикатором.
- Конструкция отличается компактностью.
- Допустимо применение механического корпуса, подходящего по массе к креплению.
- Обеспечивается значительное расстояние переключения.
- Благодаря бесконтактному принципу работы износ исключён.
- Степень защиты IP67 гарантирует устойчивость к агрессивным охлаждающим жидкостям.
