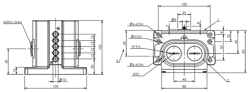
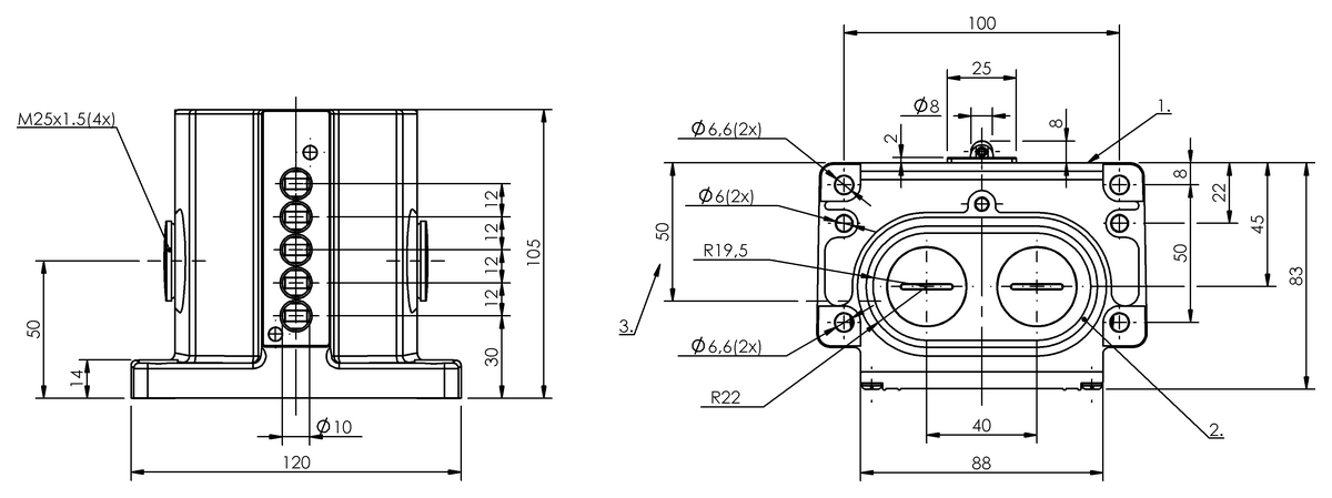
В механических многопозиционных концевых выключателях, где не предусмотрено принудительное размыкание, ключевую роль в процессе переключения играет телескопический плунжер. Благодаря ему создаётся надёжное соединение между механическим переключающим элементом и герметичной камерой обособленного типа. Чтобы оборудование служило максимально долго, крайне важно подобрать оптимальную форму плунжера, учитывая особенности конструкции наших кулачков.
Механические многопозиционные концевые выключатели Balluff
Механические многопозиционные концевые выключатели Balluff
