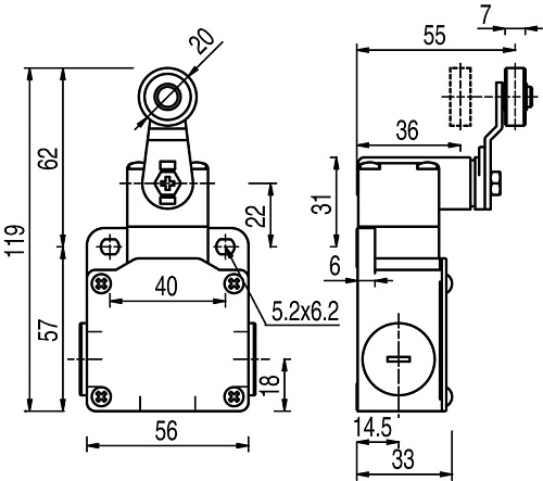
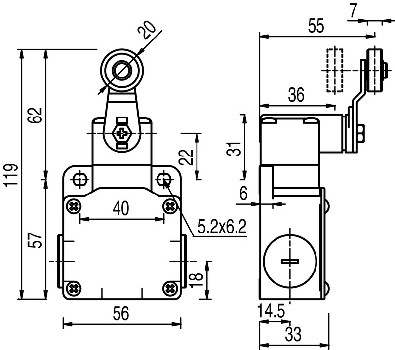
Контроль конечных положений осуществляется с помощью переключателей безопасности S300. Данные устройства применяют для отслеживания позиции машин либо в качестве замены шарнирным выключателям. Конструкция предусматривает металлический корпус с защитой IP 67.
