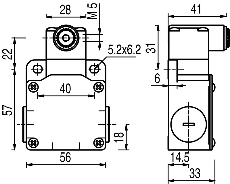
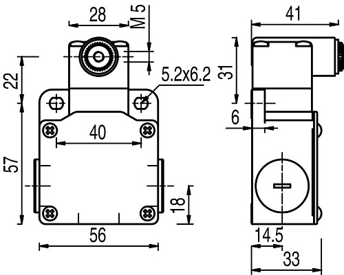
Переключатели S300 из линейки безопасности контролируют, когда достигается конечное положение. Их задействуют для отслеживания расположения машин или как альтернативу шарнирным выключателям. Защита IP 67 обеспечивается металлическим корпусом устройства.
