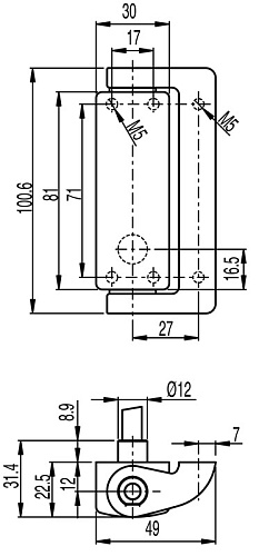
Защитные элементы с возможностью поворота — например, створки или защитные кожухи — контролируются посредством шарнирных выключателей. Такие выключатели одновременно выполняют роль защитной автоматики и петли, при этом имеют стильный дизайн. Пассивные петли той же конструкции подойдут в качестве дополнительного крепежа.
