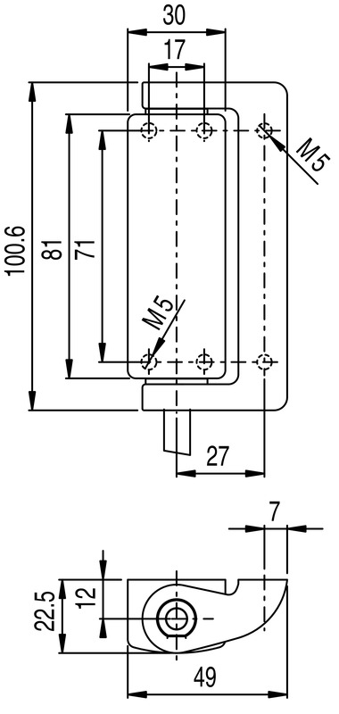
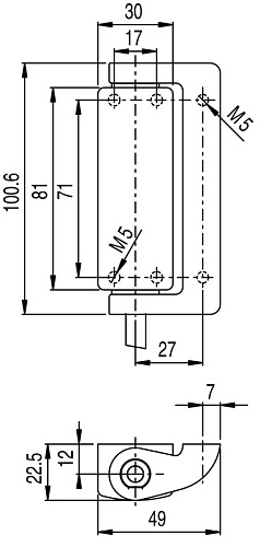
Контроль состояния закрывания поворотных защитных элементов (кожухов, створок) осуществляется с помощью защитных шарнирных выключателей. Они представляют собой единый компонент, сочетающий функции защитной автоматики и петли, и отличаются эстетичным исполнением. Для второго крепления рекомендуется использовать пассивные петли той же конструкции.
