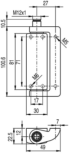
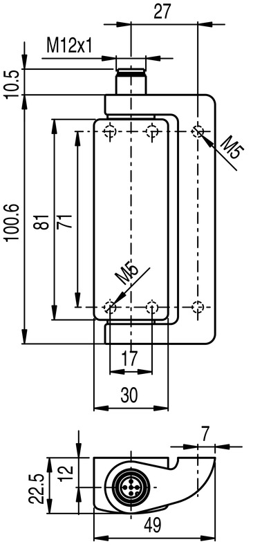
Защитные шарнирные выключатели обеспечивают мониторинг закрытия подвижных защитных компонентов — например, створок или кожухов. В одном компактном устройстве реализованы функции петли и защитного выключателя, дополненные стильным дизайном. Для второго узла крепления можно использовать пассивные петли того же типа.
