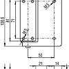
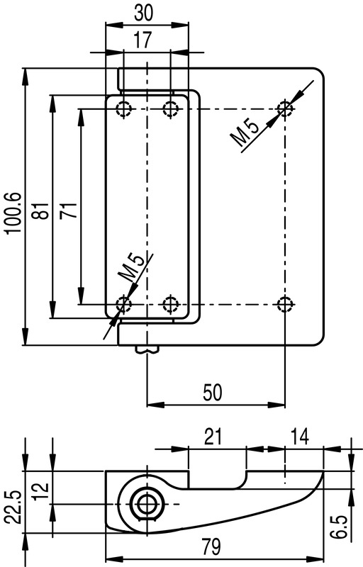
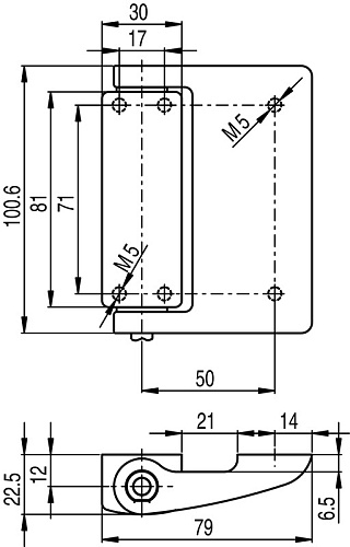
Состояние закрывания подвижных защитных элементов (таких как защитные кожухи и створки) отслеживается с помощью шарнирных защитных выключателей. Эти устройства объединяют функции петли и защитной автоматики в одном элементе, имея при этом привлекательный внешний вид. В качестве дополнительного крепежа подойдут пассивные петли той же конструкции.
