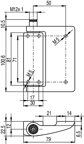
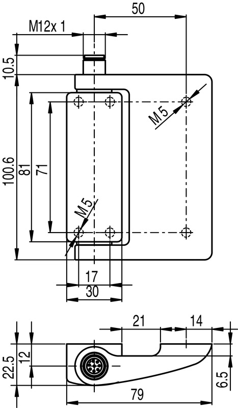
Защитные элементы, способные поворачиваться (например, защитные кожухи или створки), контролируются защитными шарнирными выключателями, отслеживающими их закрывание. В одном компоненте совмещены функции защитной автоматики и петли, а дизайн устройства выглядит привлекательно. Пассивные петли той же конструкции можно использовать в качестве второго крепежа.
