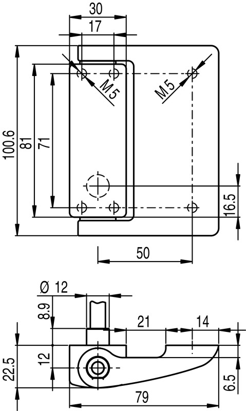
Защитные шарнирные выключатели предназначены для контроля положения поворотных защитных элементов, таких как створки или кожухи. Они совмещают функции дверной петли и защитного выключателя в одном устройстве и имеют привлекательный дизайн. В качестве второго крепёжного элемента рекомендуется использовать пассивные петли той же конструкции.
