array(5) {
["CODE"]=>
string(11) "description"
["NAME"]=>
string(16) "Описание"
["PRINT"]=>
bool(true)
["ACTIVE"]=>
bool(true)
["URL"]=>
NULL
}
Описание array(5) {
["CODE"]=>
string(10) "properties"
["NAME"]=>
string(28) "Характеристики"
["PRINT"]=>
bool(true)
["ACTIVE"]=>
bool(false)
["URL"]=>
NULL
}
Характеристики array(4) {
["CODE"]=>
string(7) "reviews"
["NAME"]=>
string(12) "Отзывы"
["ACTIVE"]=>
bool(false)
["URL"]=>
NULL
}
Отзывы
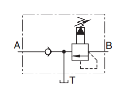
Тормозные клапаны серии UBGR применяются в гидравлических цилиндрах и тормозных линиях гидромоторов. Предназначены для плавного торможения устройства.
|
Типоразмер
|
06 (20мм)
|
|
Тип монтажа
|
Монтаж на плиту
|
| Диапазон регулировки давления, МПа |
0,7-25 |
|
Максимальное рабочее давление
|
25МПа
|
|
Максимальная пропускная способность
|
125 л/мин
|
|
Линия торможения
|
Для линии B

|
Скачать подробную документацию (ENG)
Пропускная способность
125 л/мин
Диапазон регулировки давления
0,7-25 МПа
Тип монтажа
Монтаж на плиту
Максимальное рабочее давление, МПа
25МПа