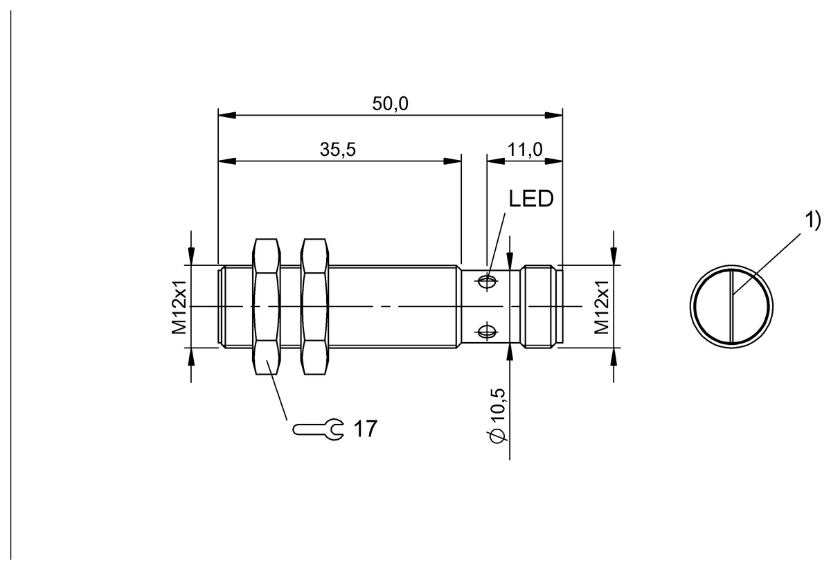
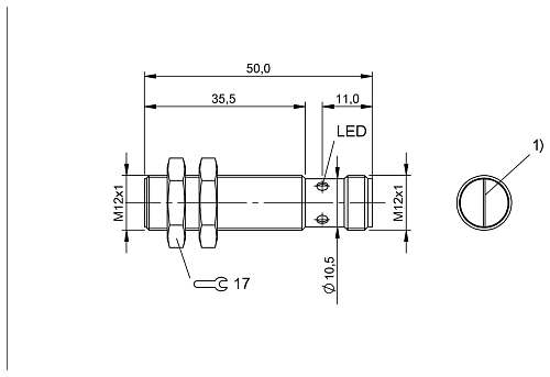
Цилиндрические датчики магнитного поля — надёжное и износостойкое решение для определения положения. Они сохраняют работоспособность при вибрации и «пробивают» стенки из цветных металлов и алюминия без уменьшения дистанции срабатывания. По сравнению с индуктивными датчиками того же размера они обладают большей дальностью срабатывания и допускают заподлицо‑монтаж в сталь.
