RGB‑датчики определяют цвета через анализ интенсивностей красного, зелёного и синего световых компонентов. Скорость замеров — несколько в секунду, что критично для динамичных задач.
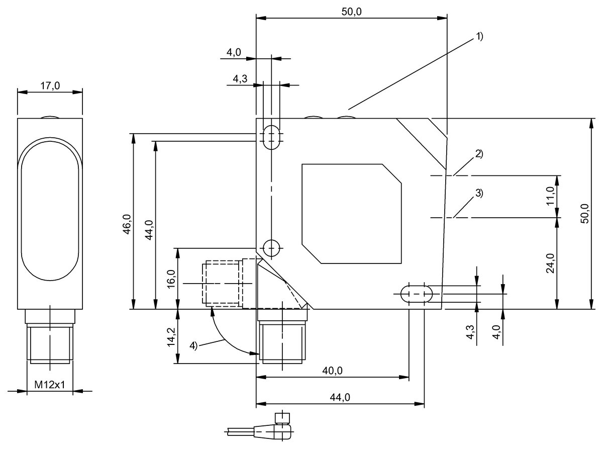
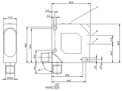
Параметры:
Параметры:
- частота: высокая;
- дисплей: опционально;
- корпус: промышленный, компактный;
- дистанция: до 400 мм (белая подсветка);
- интерфейс: IO‑Link (дополнительно);
- объекты: неограниченное число;
- разрешение: очень высокое.
