Трудности с отслеживанием быстрых цветовых изменений? Датчики RGB решают эту задачу: они разбивают свет на красный, зелёный и синий каналы, измеряя их интенсивность с частотой несколько раз в секунду. Это позволяет ловить даже мимолетные смены оттенков или появление новых цветов.
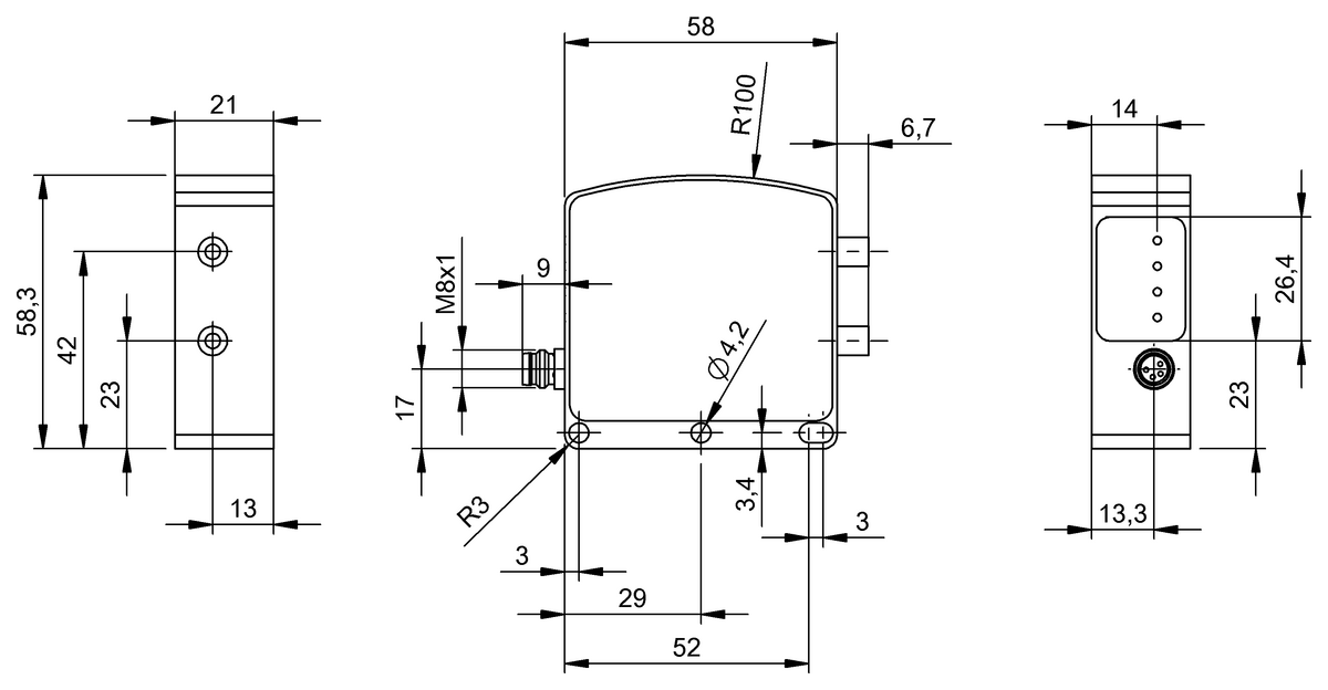
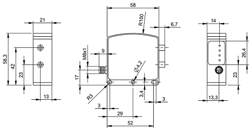
Что вы получаете:
Что вы получаете:
- сверхбыстрые замеры (высокая частота переключений);
- выбор комплектации (с дисплеем или без);
- надёжность промышленного уровня;
- экономию пространства (компактный корпус);
- большую зону охвата (до 400 мм благодаря яркой подсветке);
- простоту настройки (IO‑Link — опция);
- возможность работать с любым числом цветовых объектов;
- исключительную точность цветоопределения.
