Принцип работы датчиков цвета RGB основан на разложении светового потока на три базовых компонента: красный (R), зелёный (G) и синий (B). Каждый компонент измеряется отдельно, что позволяет точно идентифицировать цвет. Высокая скорость сбора данных (несколько измерений в секунду) делает их незаменимыми в сценариях, где цвета меняются стремительно — например, при сортировке продукции на конвейере.
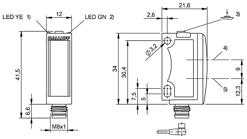
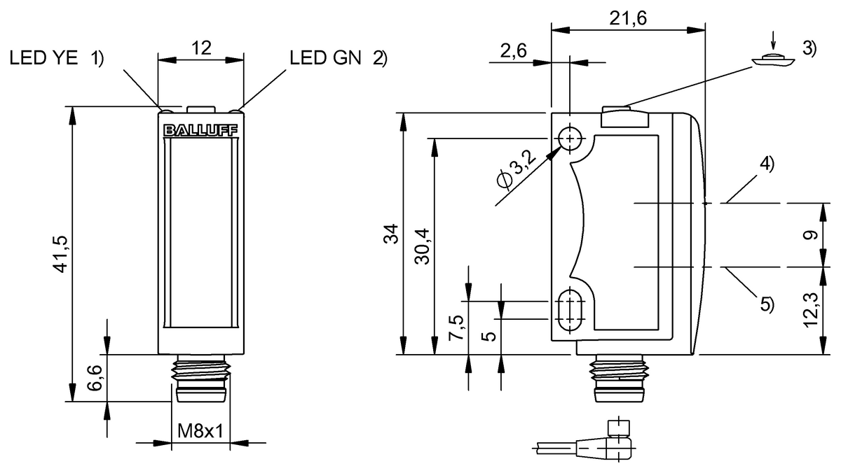
Основные характеристики:
Основные характеристики:
- быстродействие: высокая частота переключений;
- комплектация: вариант с дисплеем или без него;
- надёжность: промышленный класс защиты;
- эргономика: компактный корпус для плотной установки;
- дальность: до 400 мм (обеспечивается мощной белой подсветкой);
- коммуникация: опция IO‑Link для удобной параметризации;
- масштабируемость: поддержка любого числа цветовых объектов;
- точность: экстремально высокое цветовое разрешение.
