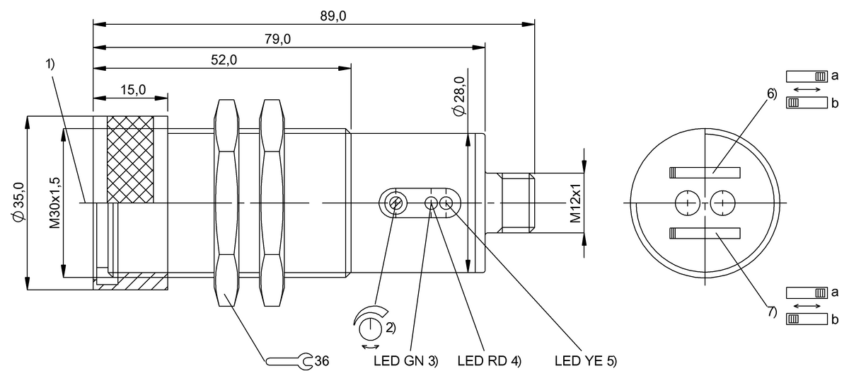
Для обнаружения объектов независимо от цвета и поверхности мы рекомендуем диффузные датчики с функцией подавления фонового сигнала. Они работают с красным светом или лазерным красным светом, который идеально подходит для обнаружения мелких деталей. Их сканирующие характеристики практически не меняются даже при разных уровнях отражательной способности. Наши диффузные датчики с функцией подавления фонового сигнала обнаруживают объекты на заданном расстоянии переключения, не реагируя на отражающий фон. Объект и фон можно четко разделить, особенно с учетом того, что эти диффузные фотоэлектрические датчики характеризуются низким смещением значения серого и гистерезисом.
Особенности:
Особенности:
- Идеально подходит для обнаружения контрастных различий в зависимости от поверхности, цвета и материала
- Для диффузных датчиков с функцией подавления фонового шума: надежное обнаружение объектов на разных расстояниях, практически не зависящее от поверхности, цвета и материала
- Экономичный и простой в установке и настройке благодаря хорошо видимому световому лучу
- Меньшее расстояние обнаружения по сравнению с ретрорефлективными и сквозными датчиками
- Для установки требуется только одно электрическое устройство
- Световые сканеры с синим светом для идеального обнаружения объектов, которые трудно распознать
