Промкип Промкип
Санкт-Петербург
Москва
Санкт-Петербург
Владикавказ
Волгоград
Воронеж
Грозный
Екатеринбург
Казань
Краснодар
Красноярск
Махачкала
Нальчик
Нижний Новгород
Новосибирск
Омск
Пермь
Ростов-на-Дону
Самара
Ставрополь
Уфа
Челябинск
Черкесск
Ваш город
Санкт-Петербург
Войти
Заказать звонок
Телефоны
+7 (812) 429-72-70
Санкт-Петербург

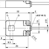
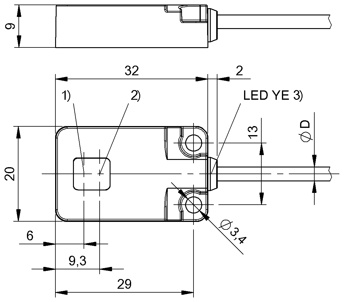
Диффузный датчик Balluff BOS0221

Диффузный датчик Balluff BOS0221
Диффузный датчик Balluff BOS0221
В наличии
Уточнить цену
Диффузный датчик Balluff BOS0221
Уточнить цену
В сравнение
В сравнении
Артикул:
В наличии
Уточнить цену
Рабочий ток (mA)
Расчетный Ie: 100
Размер светового пятна (расстояние)
Ø 3.0 mm, испускание света
Длина волны
650 nm
Переключающий выход
NPN, NO
Все характеристики
Способы оплаты
Доставка
Для обнаружения объектов независимо от цвета и поверхности мы рекомендуем диффузные датчики с функцией подавления фонового сигнала. Они работают с красным светом или лазерным красным светом, который идеально подходит для обнаружения мелких деталей. Их сканирующие характеристики практически не меняются даже при разных уровнях отражательной способности. Наши диффузные датчики с функцией подавления фонового сигнала обнаруживают объекты на заданном расстоянии переключения, не реагируя на отражающий фон. Объект и фон можно четко разделить, особенно с учетом того, что эти диффузные фотоэлектрические датчики характеризуются низким смещением значения серого и гистерезисом.

Особенности:
  • Идеально подходит для обнаружения контрастных различий в зависимости от поверхности, цвета и материала
  • Для диффузных датчиков с функцией подавления фонового шума: надежное обнаружение объектов на разных расстояниях, практически не зависящее от поверхности, цвета и материала
  • Экономичный и простой в установке и настройке благодаря хорошо видимому световому лучу
  • Меньшее расстояние обнаружения по сравнению с ретрорефлективными и сквозными датчиками
  • Для установки требуется только одно электрическое устройство
  • Световые сканеры с синим светом для идеального обнаружения объектов, которые трудно распознать
Рабочий ток (mA)
Расчетный Ie: 100
Размер светового пятна (расстояние)
Ø 3.0 mm, испускание света
Длина волны
650 nm
Переключающий выход
NPN, NO
Частота переключения
500 Гц
Вид излучения
СД красного света
Рабочее напряжение
10...30 VDC
Производитель
Принцип действия
Оптический щуп, Энергетический
Температура окружающей среды, °C
-5...55 °C
Диффузный датчик Balluff BOS0221