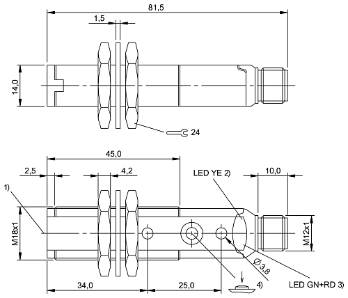
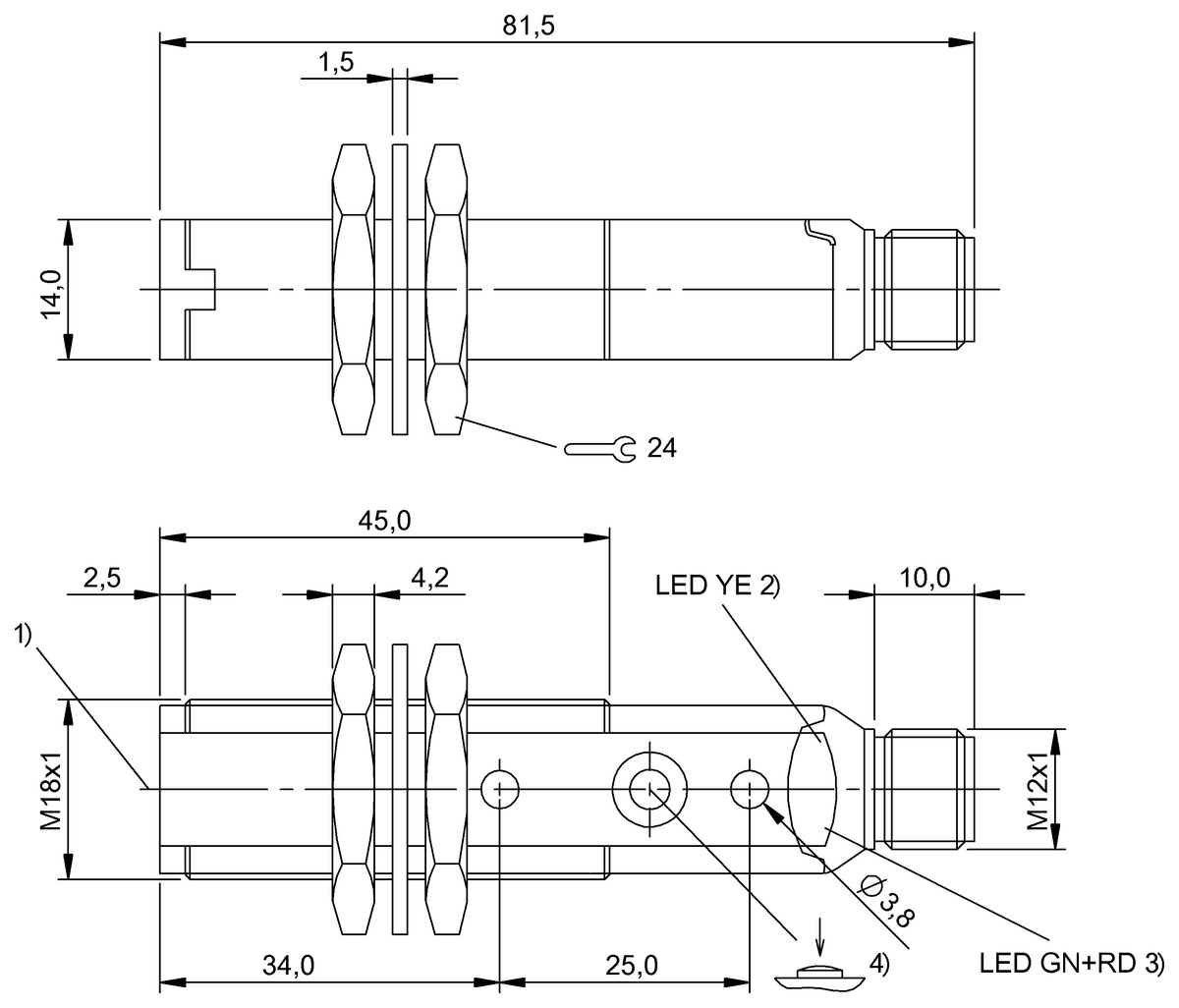
Особенности:
- Скорость: частота переключения до 30 кГц для точных операций в быстрых процессах.
- Подсветка: варианты — лазер, красный/зелёный/синий/белый свет.
- Дальность: увеличенный диапазон при лазерном освещении.
- Юстировка: чёткие световые точки для простого выравнивания.
- Сигнал: функция расширения импульса.
- Обучение: внешнее, без вскрытия корпуса.
- Выход: опция аналогового сигнала.
- Интерфейс: дисплей для настройки (есть версия без дисплея).
- Ассортимент: серии для разных сфер применения.
