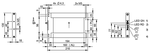
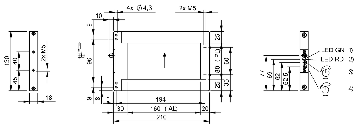
Оптические окна Balluff доступны в динамическом и статическом вариантах. Динамическая версия распознаёт только движущиеся объекты в активной зоне, не реагируя на подающие устройства. Они идеально подходят для сканирования и подсчёта быстро движущихся и перемешанных предметов.
Особенности:
Особенности:
- Равномерное высокое разрешение кадра.
- Обнаружение объектов до 0,8 мм.
- Металл + разъём M8.
- Регулировка чувствительности и сигнала.
- Динамический/статический режим.
- Модульность: рамы разных размеров.
