Оптические окна Balluff доступны в динамическом и статическом вариантах. Динамическая версия распознаёт только движущиеся объекты в активной зоне, не реагируя на подающие устройства. Они идеально подходят для сканирования и подсчёта быстро движущихся и перемешанных предметов.
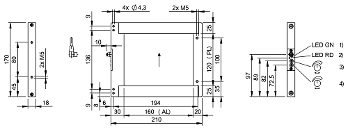
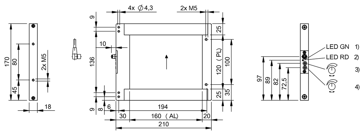
Особенности:
Особенности:
- Разрешение неизменно высокое по всей зоне кадра.
- Возможность выявления объектов диаметром вплоть до 0,8 мм.
- Корпус выполнен из металла, оснащён стандартным разъёмом M8.
- Предусмотрена регулировка чувствительности и длительности выходного сигнала.
- Доступны динамический и статический режимы работы.
- Конструкция модульная — совместимы рамы различных размеров.
