Оптические окна Balluff доступны в динамическом и статическом вариантах. Динамическая версия распознаёт только движущиеся объекты в активной зоне, не реагируя на подающие устройства. Они идеально подходят для сканирования и подсчёта быстро движущихся и перемешанных предметов.
Особенности:
Особенности:
- Разрешение остаётся стабильным и высоким по всей площади кадра.
- Способность детектировать объекты диаметром до 0,8 мм.
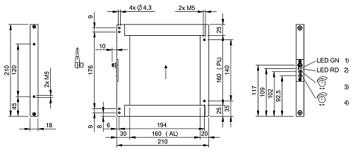
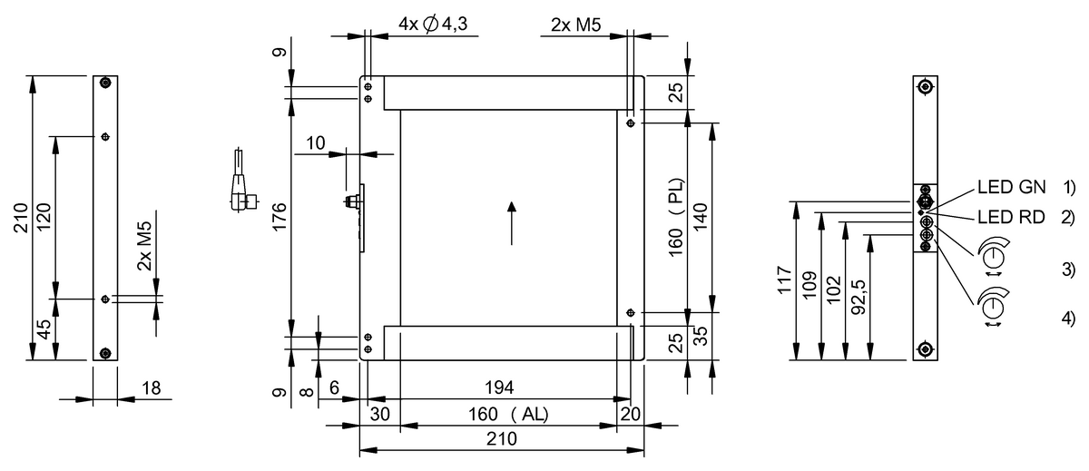
- Металлический корпус с разъёмом стандарта M8.
- Возможность настройки чувствительности и длительности выходного сигнала.
- Поддержка двух режимов работы: динамического и статического.
- Модульная конструкция с возможностью подбора рам различных размеров.
