Оптические окна Balluff доступны в динамическом и статическом вариантах. Динамическая версия распознаёт только движущиеся объекты в активной зоне, не реагируя на подающие устройства. Они идеально подходят для сканирования и подсчёта быстро движущихся и перемешанных предметов.
Особенности:
Особенности:
- Разрешение: равномерное, высокое по всему кадру.
- Минимальный размер распознаваемых объектов: 0,8 мм.
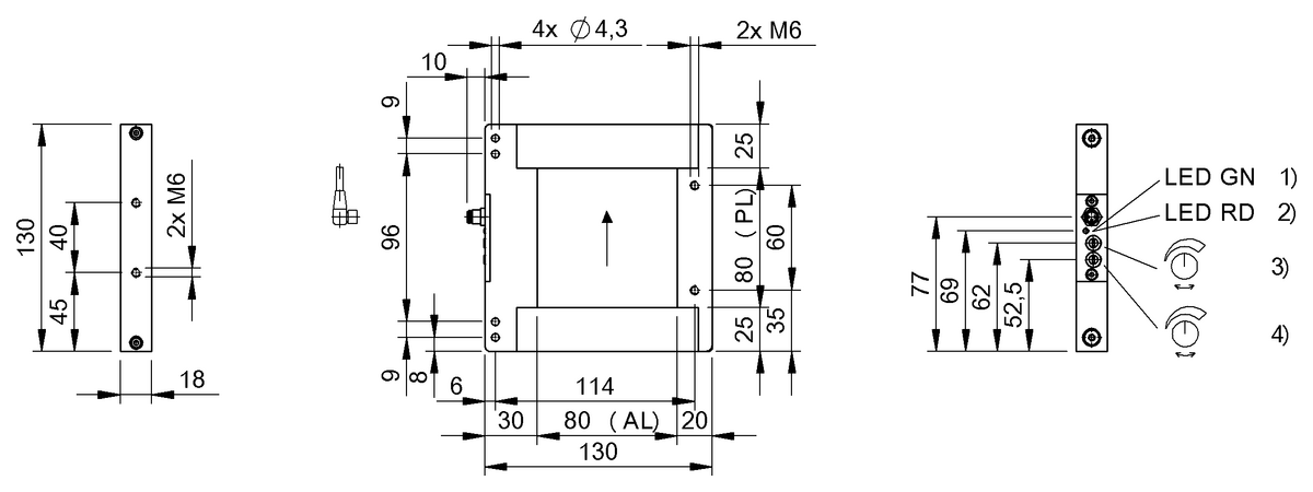
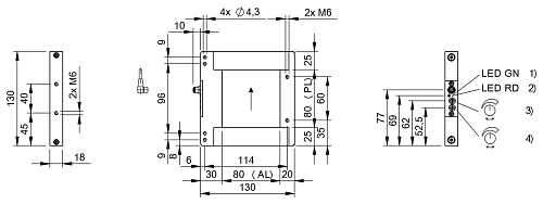
- Корпус: металл, разъём M8 (стандартный).
- Настройки: чувствительность и длина сигнала — регулируемые.
- Режимы работы: динамический, статический.
- Конструкция: модульная, рамы разных размеров.
