Оптические окна Balluff доступны в динамическом и статическом вариантах. Динамическая версия распознаёт только движущиеся объекты в активной зоне, не реагируя на подающие устройства. Они идеально подходят для сканирования и подсчёта быстро движущихся и перемешанных предметов.
Особенности:
Особенности:
- Высокое разрешение по всему кадру.
- Обнаружение объектов до 0,8 мм.
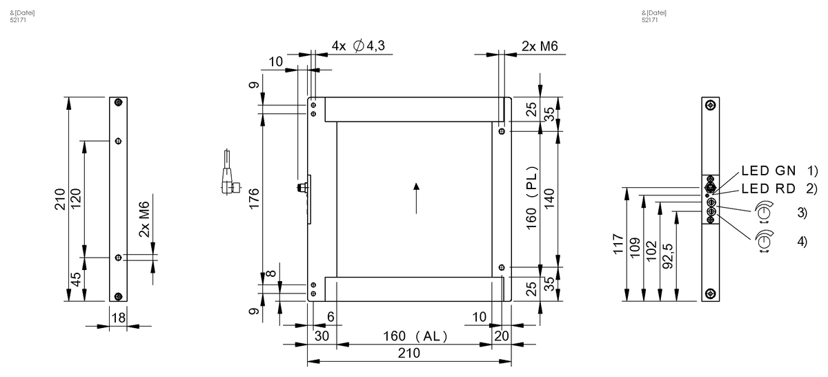
- Металлический корпус, разъём M8.
- Регулируемые чувствительность и сигнал.
- Динамический и статический режимы.
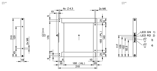
- Модульность: рамы разных размеров.
