Для сканирования просторных зон, подсчёта элементов и замеров высоты стопок (например, бумаги) или поддонов оптимально подходят световые датчики. Их преимущество перед традиционными датчиками со сквозным лучом — способность охватывать не отдельные точки, а целые зоны.
Характерные особенности:
Характерные особенности:
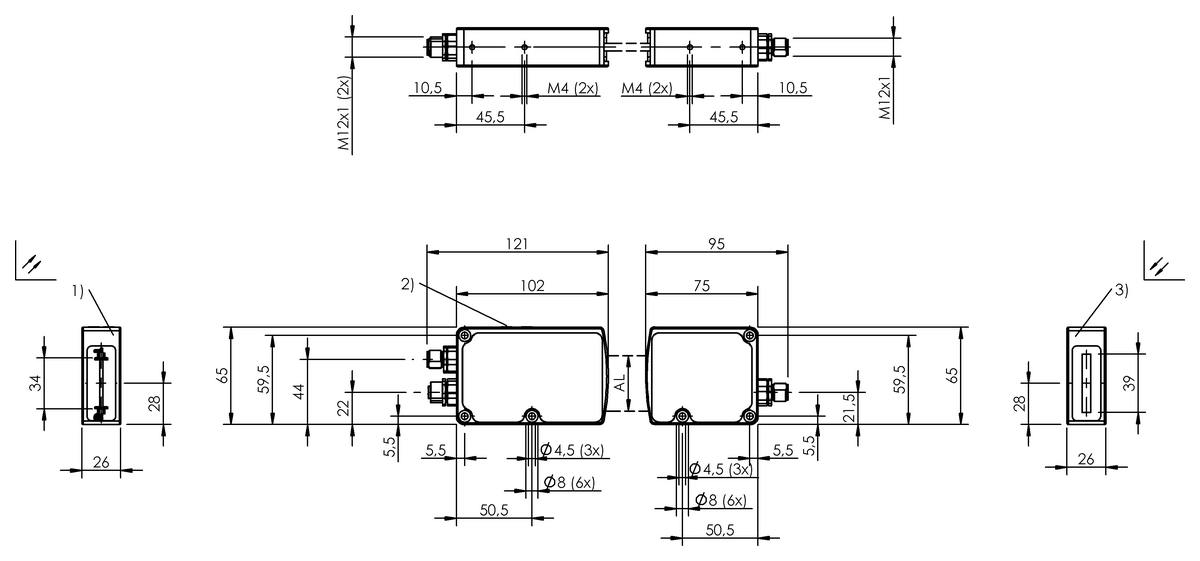
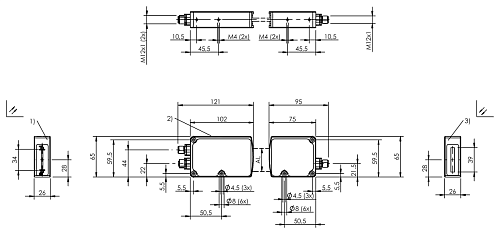
- прочный металлический корпус для стабильной установки и точной настройки;
- пригодность для объектов больших размеров;
- многообразие вариантов сигнальных выходов;
- простое управление без сложных настроек;
- работа без дополнительных устройств (ПК, контроллера, ПО).
