Вилочные датчики задают отраслевой стандарт качества, объединяя в себе три критически важных свойства:
В нашем ассортименте представлены модели для решения разноплановых задач — от базовых до узкоспециализированных. Ниже приведён детальный анализ основных категорий датчиков и их ключевых особенностей.
1. Датчики с красным излучением
Базовое универсальное решение с простым и понятным интерфейсом. Отличительная черта — интенсивная световая индикация, которая: обеспечивает наглядный мониторинг работоспособности устройства; делает эксплуатацию интуитивно понятной за счёт чёткой визуальной обратной связи.
2. Инфракрасные датчики
Функционируют в невидимом для человеческого глаза спектре, что даёт два значимых преимущества: повышенный уровень безопасности (отсутствие видимого излучения); устойчивость к воздействию внешнего освещения.
Оптимальный выбор для эксплуатации в сложных условиях — при высокой запылённости, задымлённости или других видах загрязнения рабочей среды.
3. Лазерные датчики
Высокотехнологичное решение для задач, требующих максимальной точности. Наиболее эффективны в сценариях:
прецизионного позиционирования объектов в пространстве; отслеживания быстродвижущихся предметов с высокой динамикой.
4. Угловые датчики
Специализированные устройства для работы с крупногабаритными объектами. Конструктивные особенности (уникальная форма корпуса и особая геометрия излучаемого луча) обеспечивают: возможность установки на минимальном расстоянии от объекта контроля; широкий сектор обнаружения (фиксация объектов с различных ракурсов).
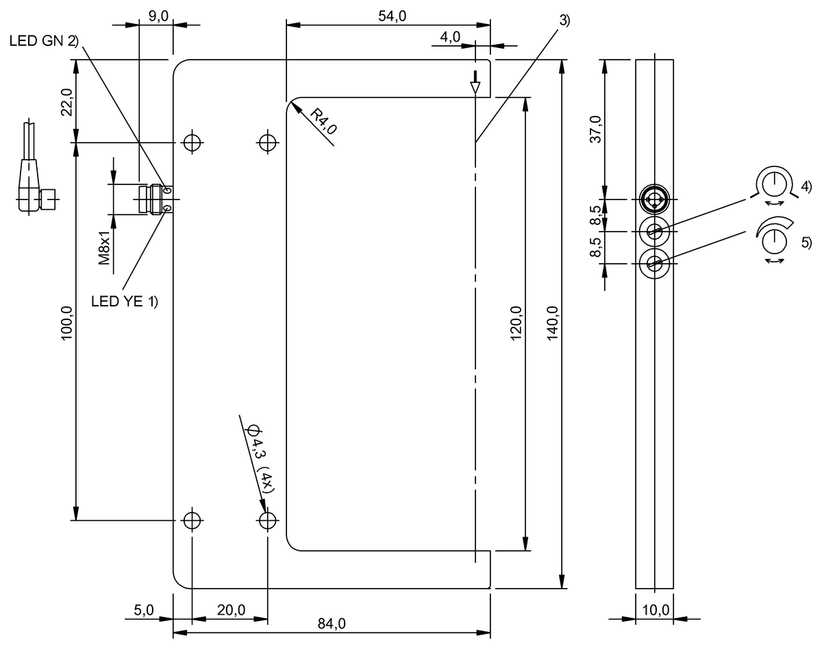
Вилочные датчики Balluff
- исключительную точность измерительных данных;
- способность фиксировать мельчайшие элементы объектов;
- стабильную работоспособность при различных условиях эксплуатации.
В нашем ассортименте представлены модели для решения разноплановых задач — от базовых до узкоспециализированных. Ниже приведён детальный анализ основных категорий датчиков и их ключевых особенностей.
1. Датчики с красным излучением
Базовое универсальное решение с простым и понятным интерфейсом. Отличительная черта — интенсивная световая индикация, которая: обеспечивает наглядный мониторинг работоспособности устройства; делает эксплуатацию интуитивно понятной за счёт чёткой визуальной обратной связи.
2. Инфракрасные датчики
Функционируют в невидимом для человеческого глаза спектре, что даёт два значимых преимущества: повышенный уровень безопасности (отсутствие видимого излучения); устойчивость к воздействию внешнего освещения.
Оптимальный выбор для эксплуатации в сложных условиях — при высокой запылённости, задымлённости или других видах загрязнения рабочей среды.
3. Лазерные датчики
Высокотехнологичное решение для задач, требующих максимальной точности. Наиболее эффективны в сценариях:
прецизионного позиционирования объектов в пространстве; отслеживания быстродвижущихся предметов с высокой динамикой.
4. Угловые датчики
Специализированные устройства для работы с крупногабаритными объектами. Конструктивные особенности (уникальная форма корпуса и особая геометрия излучаемого луча) обеспечивают: возможность установки на минимальном расстоянии от объекта контроля; широкий сектор обнаружения (фиксация объектов с различных ракурсов).
Вилочные датчики Balluff
