Вилочные датчики занимают лидирующие позиции на рынке благодаря уникальному сочетанию трёх ключевых преимуществ:
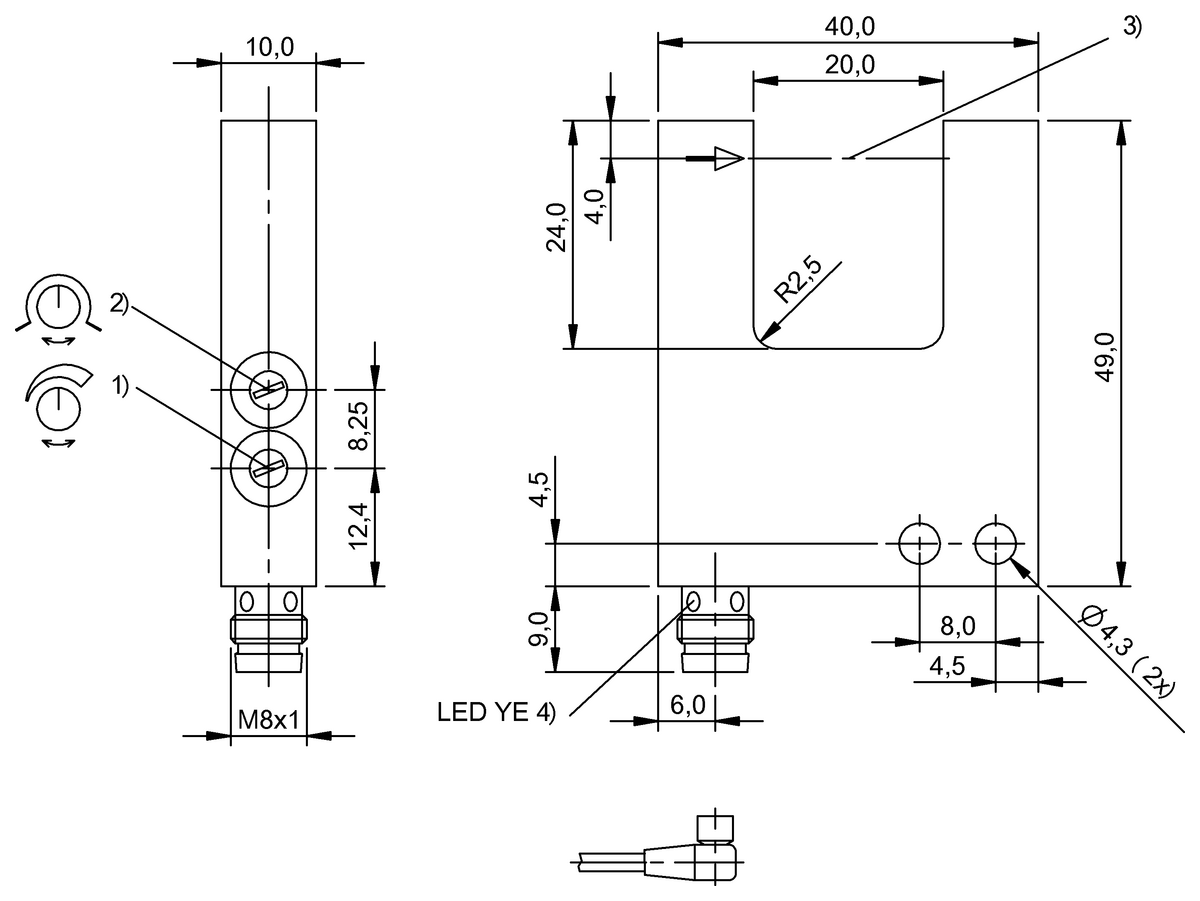
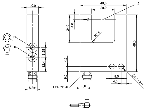
Вилочные датчики Balluff
- беспрецедентной точности измерений;
- исключительной чувствительности к мельчайшим деталям;
- высокой надёжности в различных режимах эксплуатации.
- Наш ассортимент охватывает широкий спектр прикладных задач — для каждого сценария применения найдётся оптимальное техническое решение. Рассмотрим функциональные особенности основных типов датчиков.
Вилочные датчики Balluff
