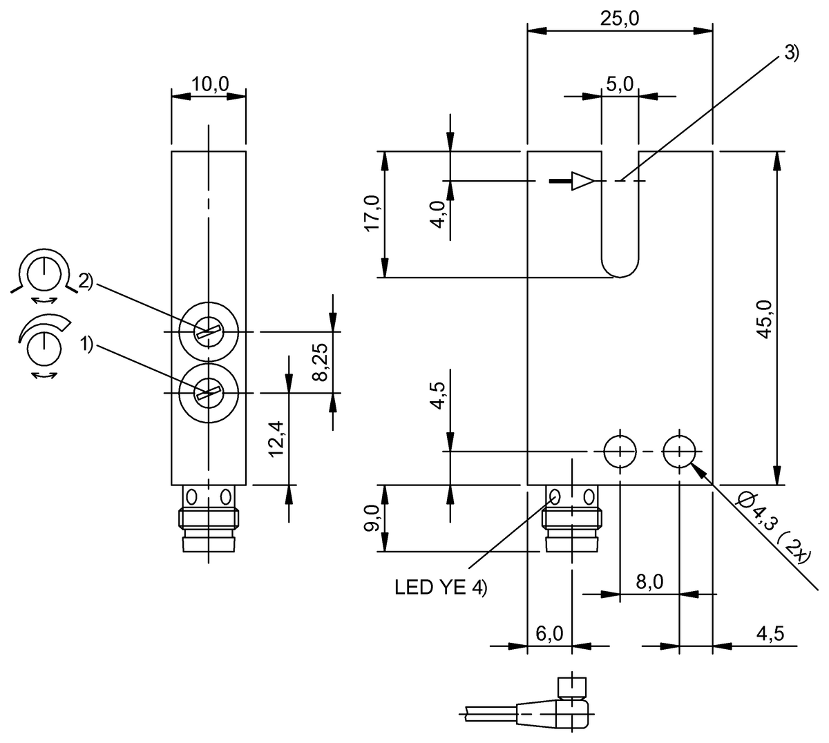
Благодаря продуманной инженерной конструкции эти датчики стабильно распознают крупные объекты даже в неблагоприятных условиях эксплуатации.
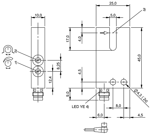
Таким образом, каждая модель в нашем ассортименте — это тщательно разработанное решение, учитывающее специфику конкретных задач и условий применения. Все устройства созданы с акцентом на эффективность, надёжность и удобство эксплуатации в своей нише.
Вилочные датчики Balluff
Таким образом, каждая модель в нашем ассортименте — это тщательно разработанное решение, учитывающее специфику конкретных задач и условий применения. Все устройства созданы с акцентом на эффективность, надёжность и удобство эксплуатации в своей нише.
Вилочные датчики Balluff
