Когда стандартные оптические датчики не вписываются в проект из‑за габаритов или не соответствуют техническим требованиям, на помощь приходят волоконно‑оптические аналоги от Balluff.
Система состоит из двух компонентов:
Пластиковые трубки подходят для нетребовательных сред, где не нужны высокая прочность и термостойкость. Стеклянные же выдерживают экстремальные нагрузки: температуры выше 200 °C, контакт с маслами и химикатами. При этом оба типа обеспечивают безупречную скорость и точность передачи данных.
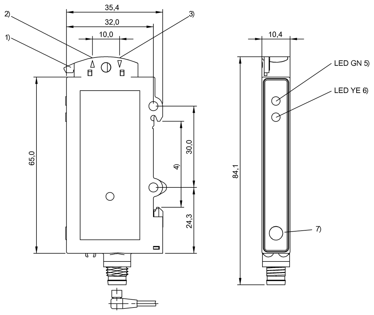
Волоконно-оптические датчики Balluff
Система состоит из двух компонентов:
- базового блока;
- световодной трубки (пластиковой или стеклянной), выбираемой под конкретные условия.
Пластиковые трубки подходят для нетребовательных сред, где не нужны высокая прочность и термостойкость. Стеклянные же выдерживают экстремальные нагрузки: температуры выше 200 °C, контакт с маслами и химикатами. При этом оба типа обеспечивают безупречную скорость и точность передачи данных.
Волоконно-оптические датчики Balluff
