В ситуациях, требующих компактных и гибких решений, волоконно‑оптические датчики Balluff становятся оптимальным выбором вместо традиционных оптических аналогов.
Система состоит из:
Особенности применения:
Оба варианта обеспечивают молниеносную передачу данных с минимальной погрешностью.
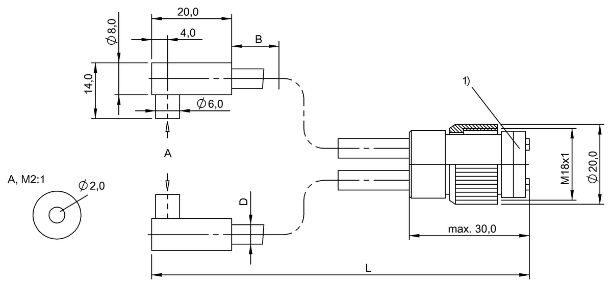
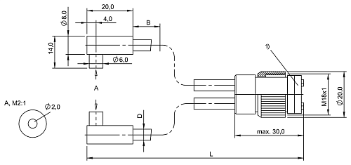
Волоконно-оптические датчики Balluff
Система состоит из:
- базового блока;
- световодной трубки (пластиковой или оптоволоконной).
Особенности применения:
- Пластиковые световоды — для стандартных условий без жёстких требований к термостойкости и химической устойчивости.
- Стеклянные трубки — для экстремальных условий: температуры свыше 200 °C, наличие масел и химикатов.
Оба варианта обеспечивают молниеносную передачу данных с минимальной погрешностью.
Волоконно-оптические датчики Balluff
