Волоконно‑оптические датчики Balluff решают проблему, когда обычные оптические сенсоры не подходят по размеру или функциональности.
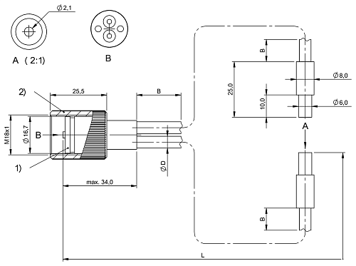
Комплект содержит:
Рекомендации по выбору:
Оба типа трубок обеспечивают высокую скорость и точность передачи сигналов.
Волоконно-оптические датчики Balluff
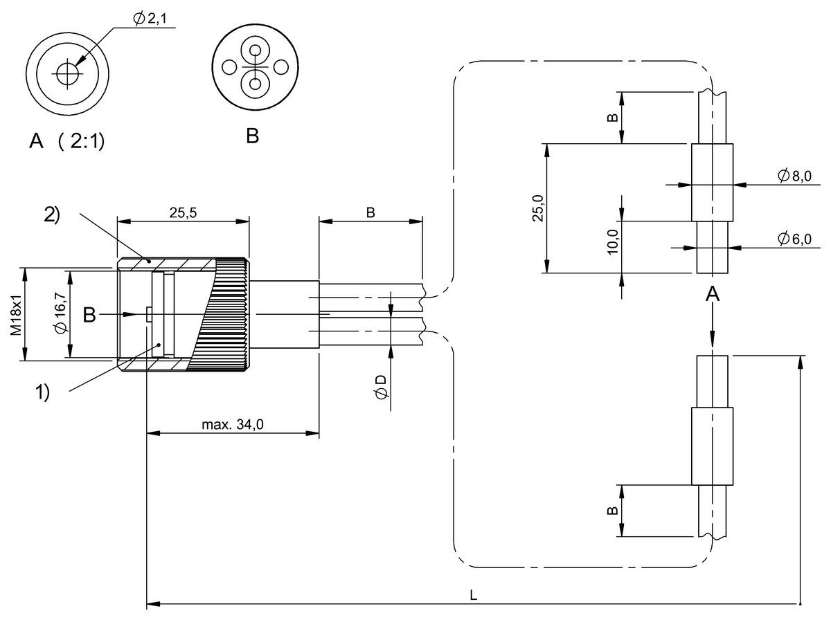
Комплект содержит:
- основной модуль;
- направляющую трубку (пластиковую или стеклянную), подбираемую по условиям эксплуатации.
Рекомендации по выбору:
- Пластик — для умеренных условий, где не требуется высокая термостойкость или химическая инертность.
- Стекло — для суровых условий: температуры до 200 °C и выше, агрессивные среды с маслами и химическими веществами.
Оба типа трубок обеспечивают высокую скорость и точность передачи сигналов.
Волоконно-оптические датчики Balluff
