Волоконно‑оптические датчики Balluff — это технологичное решение для случаев, когда традиционные оптические датчики не соответствуют требованиям по размеру или функционалу.
Комплект состоит из:
Выбор трубки зависит от условий:
Оба типа обеспечивают надёжную, быструю и точную передачу данных.
Волоконно-оптические датчики Balluff
Комплект состоит из:
- базового модуля;
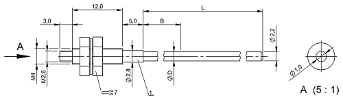
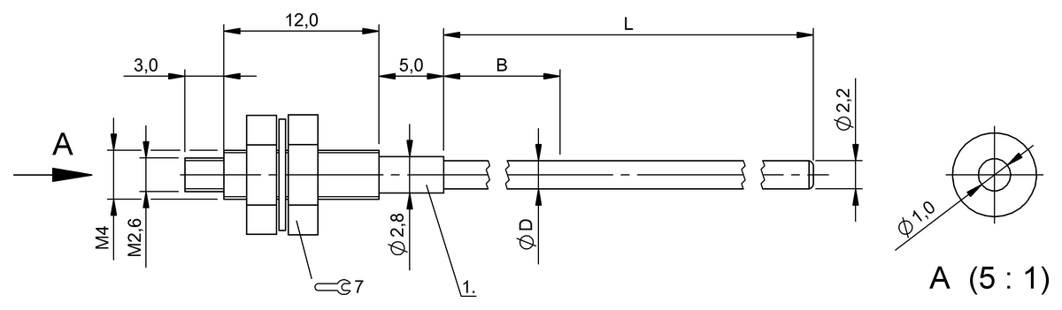
- трубки для передачи света (пластиковой или стеклянной).
Выбор трубки зависит от условий:
- Пластик предпочтителен для стандартных сред без экстремальных воздействий.
- Стекло необходимо для работы при температурах свыше 200 °C, в присутствии масел и химически агрессивных веществ.
Оба типа обеспечивают надёжную, быструю и точную передачу данных.
Волоконно-оптические датчики Balluff
